Ic Igniter Kawasaki Wiring Diagram

I am trying to rig up an engine to run on my bench and i don t have access to a wiring harness i have looked at many wiring diagrams but have not been able to find the pin out of the ic igniter or even a clear picture of the colored wires going into it.
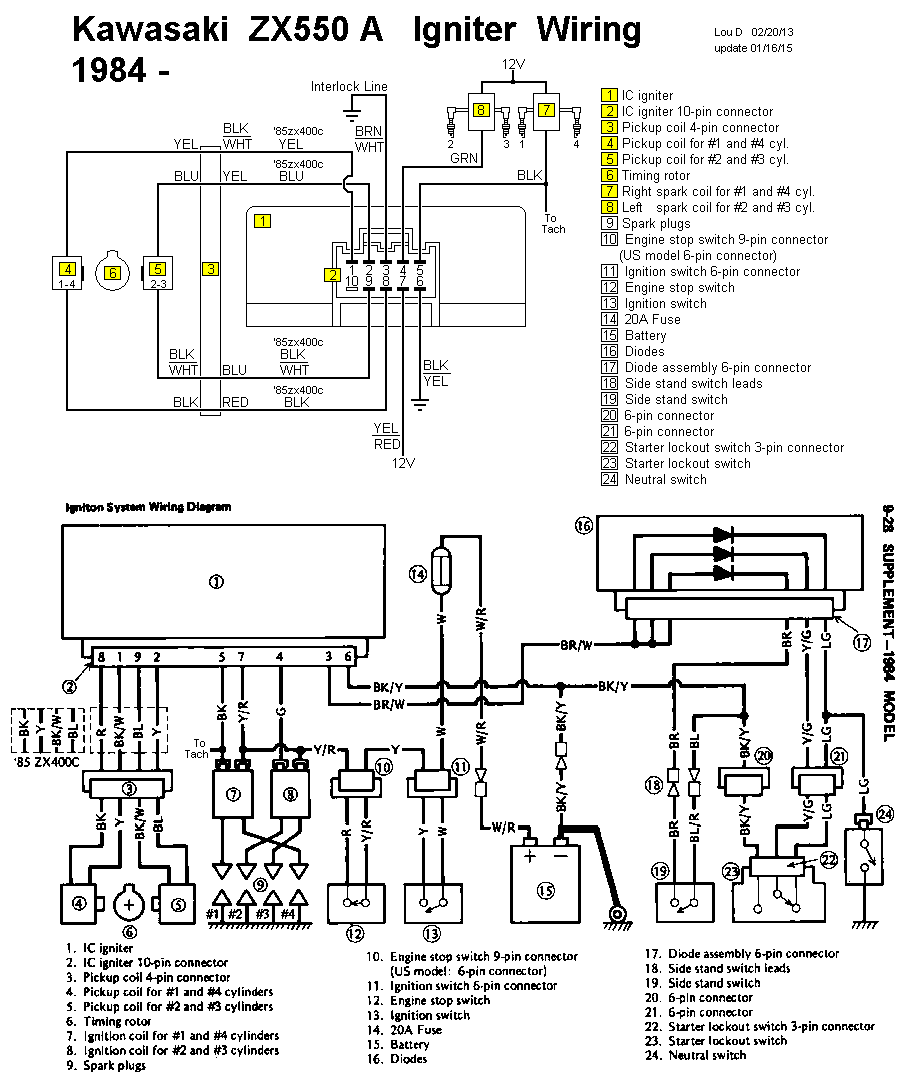
Ic igniter kawasaki wiring diagram. Cdi circuit using an scr a few resistors and diodes. Kawasaki er250 er 250 electrical wiring harness diagram schematic here. I m sorry if my english isn t the best i m from sweden that s why. The input to the cdi unit is derived from two sources of the alternator.
Assortment of kawasaki mule ignition wiring diagram. Posted by buddy martin on may 24 2015. The following schematic shows 2001 2006 kawasaki zrx1200 ignition system circuit and wiring diagram the ignition system consists of. I m wondering if someone have an wiring diagram for it.
I need the wiring diagram for a 98 zx9r ic igniter. Sometimes it best of just upgrade to a more modern. Kawasaki er500 er5 er 500 electrical wiring harness diagram schematic 2002 06 here. Kawasaki bn125 eliminator 125 electrical wiring diagram schematic 1998 06 here.
Hey i have a gpz 750 with an ic igniter called fuji 21119 1069 it 9 cables. I need the wiring diagram for a 98 zx9r ic igniter kawasaki 1998 zx 9r ninja question. 1994 kawasaki zx9r wiring diagram google search. This socket s diagram is with glow red 2 300 the ic igniter in horizontal position and at frontal view glow if someone really wants to help a colombian partner please be carefull at looking on your bike becouse a little order mistake can damage my ic igniter and in this country its really impossible to find another again.
A wiring diagram is a simplified standard pictorial representation of an electrical circuit. Kawasaki er650 er6n er 650 electrical wiring harness diagram schematic here. Want answer 1. In this video i show you how to test and resolve handa cid box module and coil issues related to an electronic ignition system spark failure.